一、简介
本系列液压缸是由14种缸径,分别按两种速比组成28种规格的单活塞双作用差动油缸。另外缸头法兰、中间轴销和底座安装三种还可作成双活塞双作用等速油缸,再加上有无缓冲与上述28种规格组成384个品种。其安装形式和尺寸符合德国钢厂和IS03320标准,特别适合环境恶劣、重载的工作状态。广泛应用于钢铁、铸造、锻造及机械制造等工业部门。
二、工作条件
工作压力MPa:25、35工作介质:矿物油、磷酸油和水-乙二醇
工作温度℃:-30~+100 介质粘度cst:2.8~380
速度m/s:0.5(采用特殊密封可达到15)
三、型号选择
CD 25 E D/d × S A 10 02 C G U M T ※
CD——种类:CD=差动缸;CG=等速缸
25——工作压力:250=25MPa;350=35MPa
E——安装形式:A=尾部单耳环带衬套;B=尾部单耳环带关节轴承;C=前法兰;
D=后法兰;E=中间轴销;F=底座
D/d——缸径/杠径(详见表一)
S——行程
A——缸头、缸底连接方式:A=两端均以螺纹连接;
B=缸头螺纹连接、缸底焊接(D≤100)
10——系列号:10=10系列;10~19系列尺寸相同
02——接口:01=英制螺纹;02=公制螺纹
C——活塞杆材质:C=45钢表面镀硬铬;H=50钢表面镀硬铬;L=1Crl7Ni2钢表面镀硬铬
G——活塞杆螺纹:G=用于耳环GA、GAK及SA的螺纹;A=用于GAS耳环的螺纹
U——缓冲:U=无缓冲;D=带缓冲
M——油介质:M=矿物油,丁晴橡胶密封;v=磷酸酯氟橡胶密封
T——密封结构:T=滑动环组合密封;A=V型密封围组
※——进一步说明
表一 D/d——缸径/杠径

技术参数:

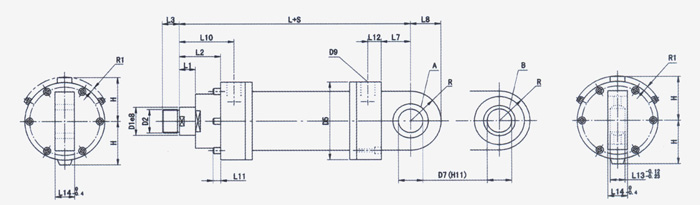
CD250A、CD250型系列差动重载液压缸外形尺寸
CD250A、CD250 尾部单耳环带滑动轴承 尾部单耳环带联节轴承


注:
1、A10型用螺纹连接缸底,适用于所有尺寸的缸径。
2、B10型用焊接缸底,只用在D≤100的缸径。
3、缸头外侧采用密封盖,仅用于D≥125的缸径。
4、缸头外侧采用活塞杆导向套,仅用于D≤100的缸径。
5、缸头、缸底与缸筒辉纹连接时,当缸径D≤100时,螺钉头均露在法兰外,当缸径D>100时,螺钉头凹入缸底法兰内。
6、单向节流阀和排气阀与水平线夹角θ:CD350系列:缸径≤200,θ=30°,缸径≥220, θ=45°
CD250系列:除缸径=320,θ=45°,其余均为30°。