一、简介
冶金设备标准液压缸是为适应冶金设备的需要而设计的标准系列液压缸,为单活塞双作用液压缸,共有两种速比(ψ=1.46、ψ=2),13种安装形式。安装连接尺寸均符合,ISO6020/1-1981标准,便于冶金设备多种需要选用。
二、型号说明

HC——华诚哈莱克江苏液压有限公司
YHG——冶金设备标准双作用活塞式液压缸
D/d——缸径/活塞杆径
XXXX——行程
IT——油口连接方式代号:IT=内螺纹连接{用于缸径D≤220);FL=法兰连接{用于缸径D≥250)
S——安装方式:S=基本型;HFL=头部长方法兰(用于缸径D≤125);
EFL=尾部长方法兰(用于缸径D≤125);HRF=头部固法兰;EFIF=尾部固法兰;
ESF=头部方法兰;HSF=尾部方法兰;El=尾部单耳环带关节轴承;
E2=尾部单耳环带轴套;Z1=头部轴销;Z2=中间轴销;Z3=尾部轴销;
MS1=轴向脚架;MS2=径向脚架
EOT——活塞杆端连接方式代号:EOT=杆端外螺纹;EIT=杆端内螺纹▲
注:型号说明中凡标有▲的目前均按非标处理。
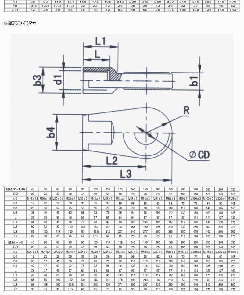
三、外形尺寸
基本型外形尺寸(HC-YHG-D/d-S-EOT)







四、订货须知:
1、冶金设备标准液压缸选用头部耳环时应另行单独定货。
2、耳环E包含E1、E2两种形式。E1为带关节轴承,E2为不带关节轴承(加轴套),安装尺寸不变。
3、定货时应注明缸径D、活塞杆径d。
4、中间轴销安装时用户选定1尺寸必须满足表中给出的不等式,L在选用型号中注明。