一、简介
本系列液压缸具有结构简单,工作可靠,拆装方便易维修,可带缓冲装置及连接方式多样等特点。适用于工程机械、矿山机械、起重运输机械等行业。
二、型号说明

HC——华诚咭菜克江苏液压有限公司
HSG——双作用活塞杆液压缸司
D/d——缸径/杆径司
XXXX——行程
2——缸头、缸筒连接方式:1=缸头耳环带衬套;2=缸头耳环带关节轴承;3=铰轴(用于缸径≥80卡键式连接);4=端部法兰(用于缸径≥80卡键式连接);5=中部法兰(用于缸径≥80卡键式连接);
5——活塞杆端连接方式代号:1=杆端外螺纹;2=杆端内螺纹(缸径≥63);3=杆端外螺纹杆头耳环带衬套;4=杆端内螺纹杆头耳环带衬套(缸径≥63);5=杆瑞外螺纹杆头耳环带关节轴承;6=杆端内螺纹杆头耳环带关节轴承(缸径≥63);7=整体式活塞杆耳环带衬套(缸径=40、50);8=整体式活塞杆耳环带关节轴承(缸径=40、50)
IT——油口连接方式 IT=内螺纹
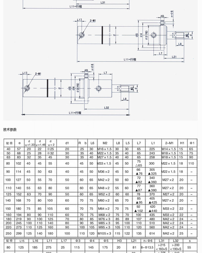
三、技术参数








