一、产品介绍:
华诚哈莱克江苏液压机械有限公司从为航空工业配套生产液压伺服油缸、系统等产品起家,在航空液压机电产品的研制和生产领域具有雄厚的技术实力。为开发民用液压市场,华诚哈莱克将应用于航空工业的高、精、尖的技术优势转化到民用产品上,极大地提高了华诚哈莱克在民用液压领域的竞争力,其生产的自卸车举升油缸系统具有以下特点:
油缸采用厚壁无缝钢管制作,耐高压;缸径粗,抗弯强度大;进口油封,密封效果好且经久耐用。
气控换向阀带有中位旁通,通过比例控制气阀,控制液压油流量,调节油缸在回落过程中的速度。
中高压叶片泵替换了齿轮泵,改善了齿轮泵在自卸车举升系统中流量和压力脉动大,噪声大等缺点!
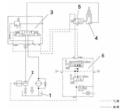
二、系统原理:

1、邮箱 2、叶片泵 3、气控换向阀
4、前顶油缸 5、限位阀 6、比例控制气阀
